深圳江機DSZ110三相三線智能電能表該如何看電量呢?下面為大家簡單介紹一下,如下圖所示電表各符號含義:1 液晶正中間顯示內容為“0 00”
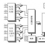
購買杭州海興DTSD208三相四線電子式多功能電能表電流超過100A的電表加裝互感器,要如何看電量呢?
購買杭州海興DTSD208三相四線電子式多功能電能表電流超過100A的電表加裝互感器,要如何看電量呢?
江蘇林洋DSZ71三相三線智能電能表,主要功能:有功,功率因素,有功功率,無功功能,四象限無功,電壓,電流,事件報警;屏幕下方有有功、無功、紅
長沙威勝DTSD341-U1三相四線電能表電能表直通式怎么接線?
長沙威勝DTSD341-U1三相四線電能表,主要功能:有功,功率因素,有功功率,無功功能,四象限無功,電壓,電流,事件報警,需量;電流規格有:1 5(6)
江蘇林洋DSZ71三相三線智能電能表銘牌上1.5(6)A數值的由來
江蘇林洋DSZ71三相三線智能電能表,主要功能:有功,功率因素,有功功率,無功功能,四象限無功,電壓,電流,事件報警,需量;電流規格:1 5(6)A,5
杭州海興DTSD208三相四線電子式多功能電能表直通式和互感式哪個更準確?
杭州海興DTSD208三相四線電子式多功能電能表,主要功能:有功,功率因素,有功功率,無功功能,視在功率,四象限無功,電壓,電流,事件報警,需量;
深圳浩寧達DTZ22三相四線智能電能表如何理解尖、峰、平、谷?
深圳浩寧達DTZ22三相四線智能電能表,主要功能:有功,功率因素,有功功率,無功功能,四象限無功,電壓,電流,事件報警,具有尖、峰、平、谷分時
杭州海興DTZ208三相四線智能電能表,主要功能:有功,功率因素,有功功率,無功功能,視在功率,四象限無功,電壓,電流,事件報警,需量,那這款三

